联系我们
- 电话 : 0510-83270388
- 手机 : 18661287278
- 邮箱 : bw@bwhgsb.com
- 网址 : www.bwhgsb.com
- 地址 : 江苏省无锡市钱桥镇恒源祥工业园恒亮路12号
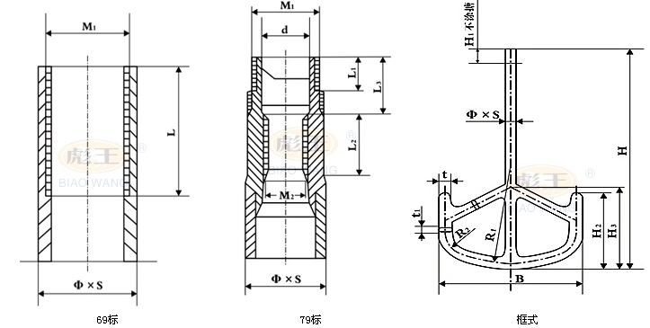
搪玻璃框式搅拌器


69标尺寸表
规格 | φ×S | H | H1 | H2 | H3 | B | R1 | R2 | t1 | t | M1 | L |
50L | 42×6 | 724 | 60 | 190 | 225 | 400 | 397 | 127 | 50 | 28 | 33×2 | 60 |
100L | 42×6 | 855 | 60 | 245 | 280 | 480 | 480 | 167 | 50 | 28 | 33×2 | 60 |
200L | 50×6 | 1145 | 80 | 280 | 330 | 560 | 496 | 206 | 62 | 30 | 42×3 | 55 |
300L | 50×8 | 1250 | 80 | 320 | 370 | 640 | 566 | 206 | 62 | 30 | 42×3 | 55 |
500L | 60×8 | 1480 | 90 | 450 | 530 | 690 | 712 | 247 | 70 | 42 | 48×3 | 65 |
1000L | 70×8 | 1790 | 90 | 460 | 560 | 920 | 813 | 288 | 81.5 | 42 | 60×4 | 80 |
1500L | 76×8 | 2010 | 95 | 520 | 640 | 1040 | 919 | 313 | 96.5 | 40 | 68×4 | 80 |
2000L | 89×8 | 2110 | 100 | 600 | 745 | 1160 | 1010 | 365 | 108 | 55 | 78×4 | 90 |
3000L | 89×8 | 2720 | 100 | 600 | 745 | 1160 | 1010 | 365 | 108 | 55 | 78×4 | 90 |
5000L | 95×8 | 3000 | 120 | 750 | 910 | 1420 | 1281 | 391 | 115 | 60 | 85×4 | 95 |
79标尺寸表
规格 | φ×S | H | H1 | H2 | H3 | B | R1 | R2 | t1 | t | M1 | M2 | d | L1 | L2 | L3 |
50L | 40×4.5 | 880 | 40 | 260 | 120 | 420 | 410 | 95 | 20 | 38 | 39×3-左 | 24 | 30 | 18 | 35 | 33 |
100L | 40×4.5 | 1000 | 40 | 300 | 120 | 520 | 495 | 115 | 20 | 38 | 39×3-左 | 24 | 30 | 18 | 35 | 33 |
200L | 50×4.5 | 1240 | 50 | 350 | 150 | 620 | 580 | 130 | 25 | 48 | 48×3-左 | 33 | 39 | 20 | 35 | 44 |
300L | 65×5 | 1390 | 80 | 400 | 200 | 720 | 660 | 150 | 30 | 60 | 48×3-左 | 33 | 39 | 20 | 35 | 47 |
500L | 65×5 | 1620 | 80 | 450 | 220 | 810 | 735 | 170 | 30 | 60 | 48×3-左 | 33 | 50 | 20 | 35 | 47 |
1000L | 80×6 | 1910 | 115 | 650 | 300 | 1080 | 970 | 225 | 43 | 86 | 64×4-左 | 42 | 50 | 20 | 45 | 53 |
1500L | 80×6 | 2140 | 115 | 700 | 340 | 1180 | 1070 | 245 | 43 | 86 | 64×4-左 | 42 | 50 | 20 | 45 | 53 |
2000L | 80×6 | 2480 | 115 | 700 | 360 | 1180 | 1070 | 245 | 43 | 86 | 64×4-左 | 42 | 50 | 20 | 45 | 53 |
3000L | 95×8 | 2500 | 125 | 800 | 370 | 1440 | 1280 | 300 | 50 | 94 | 76×4-左 | 52 | 60 | 28 | 50 | 58 |
5000L | 95×8 | 3000 | 125 | 900 | 400 | 1580 | 1420 | 330 | 50 | 94 | 76×4-左 | 52 | 60 | 28 | 50 | 58 |
5000L | 95×8 | 3280 | 125 | 900 | 400 | 1580 | 1420 | 330 | 50 | 94 | 90×4-左 | 64 | 70 | 28 | 65 | 65 |
