联系我们
- 电话 : 0510-83270388
- 手机 : 18661287278
- 邮箱 : bw@bwhgsb.com
- 网址 : www.bwhgsb.com
- 地址 : 江苏省无锡市钱桥镇恒源祥工业园恒亮路12号
不锈钢球阀


性能规范 | ||
| 公称压力 | Mpa | 1.6 |
| 密封实验压力 | 2.2 | |
| 壳体强度压力 | 3.0 | |
| 工作温度 ≤350℃ | ||
| 适用介质 水汽油 | ||
适用标准
设计制造标准:GB12237-89.
结构长度:GB12221-89.
连接法兰:JB/T79-94.
检验试验标准:JB/T9092-1999.
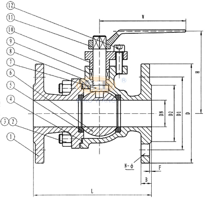
6 | 球体 | 0Cr18Ni9 | 12 | 内六角螺栓 | 0Cr18Ni9 |
5 | 阀座 | PTFE/PPL | 11 | 手柄 | 玛钢 |
4 | 密封垫片 | PTFE | 10 | 填料压盖 | ZG0Cr18Ni9 |
3 | 螺栓 | 0Cr18Ni9 | 9 | 填料 | PTFE |
2 | 螺母 | 0Cr18Ni9 | 8 | 阀体 | ZG0Cr18Ni9 |
1 | 左阀体 | ZG0Cr18Ni9 | 7 | 阀杆 | 0Cr18Ni9 |
DN | L | H | W | D2 | D1 | D | F | B | N-Ф |
15 | 130 | 59 | 130 | 45 | 65 | 95 | 2 | 14 | 4-14 |
20 | 140 | 63 | 130 | 55 | 75 | 105 | 2 | 14 | 4-14 |
25 | 150 | 75 | 160 | 65 | 85 | 115 | 2 | 14 | 4-14 |
32 | 165 | 97 | 180 | 78 | 100 | 135 | 2 | 16 | 4-18 |
40 | 180 | 107 | 230 | 85 | 110 | 145 | 3 | 16 | 4-18 |
50 | 200 | 142 | 230 | 100 | 125 | 160 | 3 | 16 | 4-18 |
65 | 220 | 152 | 400 | 120 | 145 | 180 | 3 | 18 | 4-18 |
80 | 250 | 178 | 400 | 135 | 160 | 195 | 3 | 20 | 8-18 |
100 | 280 | 252 | 650 | 155 | 180 | 215 | 3 | 20 | 8-18 |
125 | 320 | 272 | 1050 | 185 | 210 | 245 | 3 | 22 | 8-18 |
150 | 360 | 342 | 1050 | 210 | 240 | 280 | 3 | 24 | 8-23 |
200 | 400 | 345 | 1410 | 265 | 295 | 335 | 3 | 265 | 12-23 |
