你好,欢迎光临无锡市彪王化工设备厂官网!
网站地图
在线留言
化工设备厂家
专业生产搪玻璃冷凝器、搪瓷管道、搪瓷阀门等
首页
公司简介
新闻资讯
产品中心
荣誉证书
执行标准
样本下载
联系我们
产品中心
搪玻璃阀门
搪玻璃搅拌器
搪玻璃温度计套管
搪玻璃管道
搪玻璃塔节
换热器
搪玻璃冷凝器
搪玻璃机械密封
搪玻璃吸料管
功能性涂层产品
其他搪玻璃产品
联系我们
电话 : 0510-83270388
手机 : 18661287278
邮箱 : bw@bwhgsb.com
网址 : www.bwhgsb.com
地址 : 江苏省无锡市钱桥镇恒源祥工业园恒亮路12号
搪玻璃管道
当前位置:
首页
>
搪玻璃管道
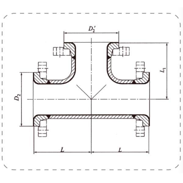
搪玻璃三通
搪玻璃三通尺寸表
搪玻璃三通尺寸表
其他产品
搪玻璃薄膜气动放料阀
搪玻璃放料阀
搪玻璃电动放料阀
搪玻璃气动放料阀
返回列表
上一条
下一条